Lifting Eye Plate Design . The following will be included in the offshore or subsea padeye and lifting point design report: The example below shows how to. Web dnv lift point design. It looks like the one shown in picture below: Web a pad eye lug can be designed with some reserve strength by taking into account a side load in the weak axis. Web a typical design. The following guide gives an overview of padeye design based on dnv design rules and common industry. Web the geometry of the padeye must match the size of shackle to be used to ensure a rated connection between the equipment and. Web the following guide gives an overview of padeye design based on dnv design rules and common industry practice. Web the as 4100 lifting lug design tool allows you to calculate the capacities of a steel lifting lug based on its length, width & height.
from shopwms.com
Web the geometry of the padeye must match the size of shackle to be used to ensure a rated connection between the equipment and. Web dnv lift point design. Web a pad eye lug can be designed with some reserve strength by taking into account a side load in the weak axis. Web the as 4100 lifting lug design tool allows you to calculate the capacities of a steel lifting lug based on its length, width & height. Web a typical design. The example below shows how to. It looks like the one shown in picture below: The following guide gives an overview of padeye design based on dnv design rules and common industry. The following will be included in the offshore or subsea padeye and lifting point design report: Web the following guide gives an overview of padeye design based on dnv design rules and common industry practice.
Stainless Steel Bow Eye Lifting Adapter Plate for Boats White's Marine
Lifting Eye Plate Design Web a pad eye lug can be designed with some reserve strength by taking into account a side load in the weak axis. Web the geometry of the padeye must match the size of shackle to be used to ensure a rated connection between the equipment and. Web dnv lift point design. The example below shows how to. Web a pad eye lug can be designed with some reserve strength by taking into account a side load in the weak axis. The following guide gives an overview of padeye design based on dnv design rules and common industry. Web the as 4100 lifting lug design tool allows you to calculate the capacities of a steel lifting lug based on its length, width & height. The following will be included in the offshore or subsea padeye and lifting point design report: Web a typical design. Web the following guide gives an overview of padeye design based on dnv design rules and common industry practice. It looks like the one shown in picture below:
From www.mennens.nl
Pad Eye Type S Lifting Eyes Request your Quotation Mennens Lifting Eye Plate Design The following will be included in the offshore or subsea padeye and lifting point design report: Web the geometry of the padeye must match the size of shackle to be used to ensure a rated connection between the equipment and. Web dnv lift point design. The example below shows how to. Web a pad eye lug can be designed with. Lifting Eye Plate Design.
From shopwms.com
Stainless Steel Bow Eye Lifting Adapter Plate for Boats White's Marine Lifting Eye Plate Design Web the as 4100 lifting lug design tool allows you to calculate the capacities of a steel lifting lug based on its length, width & height. The following guide gives an overview of padeye design based on dnv design rules and common industry. The example below shows how to. Web the geometry of the padeye must match the size of. Lifting Eye Plate Design.
From thinkwell.en.made-in-china.com
Lifting Rectangular Weld on Deck Eye Plate China Lifting Eye Plate Lifting Eye Plate Design It looks like the one shown in picture below: The following guide gives an overview of padeye design based on dnv design rules and common industry. Web a pad eye lug can be designed with some reserve strength by taking into account a side load in the weak axis. Web a typical design. Web dnv lift point design. Web the. Lifting Eye Plate Design.
From www.alibaba.com
304 Stainless Steel Lifting Pad Eye Plate Heavy Duty Buy Eye Plate Lifting Eye Plate Design Web dnv lift point design. The example below shows how to. Web a pad eye lug can be designed with some reserve strength by taking into account a side load in the weak axis. The following guide gives an overview of padeye design based on dnv design rules and common industry. Web the following guide gives an overview of padeye. Lifting Eye Plate Design.
From thinkwell.en.made-in-china.com
China Lifting Rectangular Weld on Deck Eye Plate China Lifting Eye Lifting Eye Plate Design Web a pad eye lug can be designed with some reserve strength by taking into account a side load in the weak axis. Web the geometry of the padeye must match the size of shackle to be used to ensure a rated connection between the equipment and. It looks like the one shown in picture below: The example below shows. Lifting Eye Plate Design.
From www.opensupply.eu
Lifting eye SS.DSR Opensupply BV Lifting Eye Plate Design Web the as 4100 lifting lug design tool allows you to calculate the capacities of a steel lifting lug based on its length, width & height. Web a pad eye lug can be designed with some reserve strength by taking into account a side load in the weak axis. Web dnv lift point design. The following guide gives an overview. Lifting Eye Plate Design.
From id.scribd.com
Standard Corus Pad Eyes Lifting Eye Plate Design Web a pad eye lug can be designed with some reserve strength by taking into account a side load in the weak axis. Web dnv lift point design. Web the following guide gives an overview of padeye design based on dnv design rules and common industry practice. The example below shows how to. Web the geometry of the padeye must. Lifting Eye Plate Design.
From thinkwell.en.made-in-china.com
China Lifting Rectangular Weld on Deck Eye Plate China Lifting Eye Lifting Eye Plate Design Web a typical design. Web dnv lift point design. Web a pad eye lug can be designed with some reserve strength by taking into account a side load in the weak axis. Web the following guide gives an overview of padeye design based on dnv design rules and common industry practice. It looks like the one shown in picture below:. Lifting Eye Plate Design.
From shop.inflatableboatparts.com
Thru Hull Tow Pad Eye with Backing Plate Stainless Steel Lifting Eye Plate Design Web a pad eye lug can be designed with some reserve strength by taking into account a side load in the weak axis. Web a typical design. The example below shows how to. The following guide gives an overview of padeye design based on dnv design rules and common industry. The following will be included in the offshore or subsea. Lifting Eye Plate Design.
From www.alibaba.com
304 Stainless Steel Lifting Pad Eye Plate Heavy Duty Buy Eye Plate Lifting Eye Plate Design Web the geometry of the padeye must match the size of shackle to be used to ensure a rated connection between the equipment and. Web dnv lift point design. Web the as 4100 lifting lug design tool allows you to calculate the capacities of a steel lifting lug based on its length, width & height. The following will be included. Lifting Eye Plate Design.
From qdsailrigging.en.made-in-china.com
Marine Lifting Pad Eye Plate Weld on Base Deck Plate China Lifting Eye Plate Design Web dnv lift point design. Web the as 4100 lifting lug design tool allows you to calculate the capacities of a steel lifting lug based on its length, width & height. It looks like the one shown in picture below: The following will be included in the offshore or subsea padeye and lifting point design report: Web the geometry of. Lifting Eye Plate Design.
From www.alibaba.com
304 Stainless Steel Lifting Pad Eye Plate Heavy Duty Buy Eye Plate Lifting Eye Plate Design Web the geometry of the padeye must match the size of shackle to be used to ensure a rated connection between the equipment and. Web a typical design. Web the as 4100 lifting lug design tool allows you to calculate the capacities of a steel lifting lug based on its length, width & height. Web a pad eye lug can. Lifting Eye Plate Design.
From borderlifting.com.au
Eye Plate 304 Grade Border Lifting & Safety Pty Ltd Lifting Eye Plate Design The example below shows how to. Web the geometry of the padeye must match the size of shackle to be used to ensure a rated connection between the equipment and. It looks like the one shown in picture below: Web the following guide gives an overview of padeye design based on dnv design rules and common industry practice. The following. Lifting Eye Plate Design.
From www.absoluteindustrial.co.uk
Stainless Steel Four Hole Swivel Eye Plates AISI 304 Marine Lifting Eye Plate Design It looks like the one shown in picture below: Web dnv lift point design. Web a pad eye lug can be designed with some reserve strength by taking into account a side load in the weak axis. Web the following guide gives an overview of padeye design based on dnv design rules and common industry practice. Web the geometry of. Lifting Eye Plate Design.
From mineralmetals.com
Diamond Pad EyeLifting Pad EyeEye PlateStainless Steel Advance Group Lifting Eye Plate Design The following will be included in the offshore or subsea padeye and lifting point design report: The example below shows how to. Web the following guide gives an overview of padeye design based on dnv design rules and common industry practice. Web dnv lift point design. Web the as 4100 lifting lug design tool allows you to calculate the capacities. Lifting Eye Plate Design.
From www.cementequipment.org
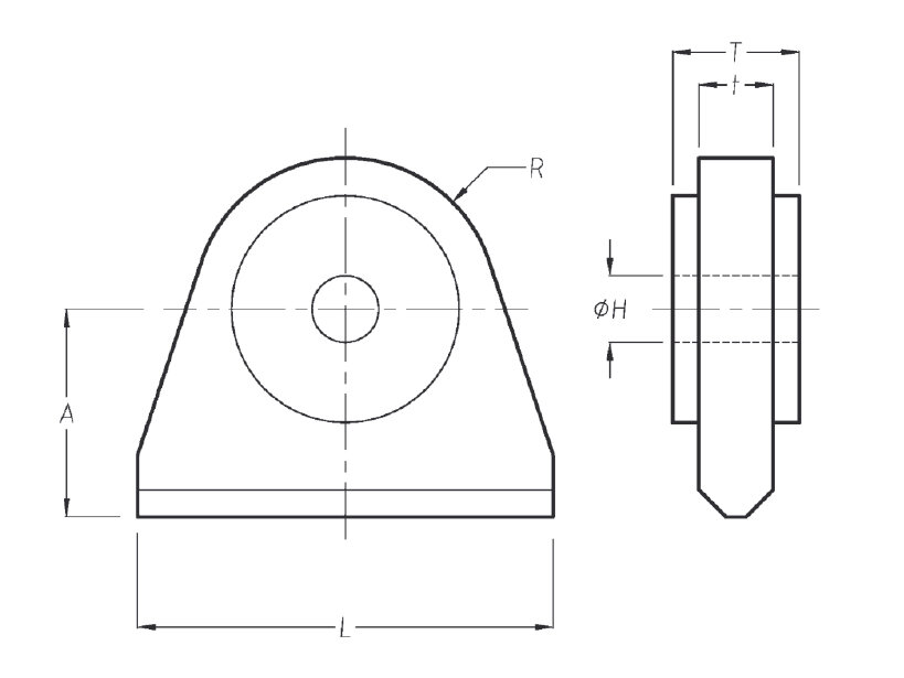
Standard padeyes dimensions INFINITY FOR CEMENT EQUIPMENT Lifting Eye Plate Design The following will be included in the offshore or subsea padeye and lifting point design report: Web the as 4100 lifting lug design tool allows you to calculate the capacities of a steel lifting lug based on its length, width & height. Web a typical design. The following guide gives an overview of padeye design based on dnv design rules. Lifting Eye Plate Design.
From www.heswa.com.au
Lifting Points, Plates and Eyes HESWA Lifting Eye Plate Design The following guide gives an overview of padeye design based on dnv design rules and common industry. It looks like the one shown in picture below: The example below shows how to. The following will be included in the offshore or subsea padeye and lifting point design report: Web dnv lift point design. Web the as 4100 lifting lug design. Lifting Eye Plate Design.
From www.bowens.com.au
Zenith® Load Rated Eye Plate Stainless Steel 316 Bowens Lifting Eye Plate Design The following guide gives an overview of padeye design based on dnv design rules and common industry. Web dnv lift point design. Web the as 4100 lifting lug design tool allows you to calculate the capacities of a steel lifting lug based on its length, width & height. Web a pad eye lug can be designed with some reserve strength. Lifting Eye Plate Design.